Код Товара
36555
Артикул
19551
Производитель
ARMADILLO
Наличие:
Под заказ 7 дней
1 303 р
Вся фурнитура под заказ. Примерный срок - 7 дней.
Доставка по г Томск, от 1250 ₽
Самовывоз из салона, бесплатно
Вес
1300,1300
Габариты упаковки товара высота мм
32
Все характеристики
Гарантия 24 мес.
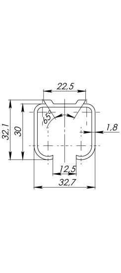
Верхняя направляющая для межкомнатных раздвижных дверей - это алюминиевый профиль для направления движения полотна. Конструкция профиля предотвращает провисание. Крепление осуществляется с помощью саморезов (не входят в комплектацию). Верхняя направляющая Comfort R 60/1,8/2000 track (2 м) с толщиной стенки 1,8 мм и длиной 2 метра совместима с Комплектом роликов для раздвижных дверей DIY Comfort 60/4 kit (877).

Общие

Вес
1300,1300
Габариты упаковки товара высота мм
32
Габариты упаковки товара длина мм
33
Габариты упаковки товара ширина мм
2000
Длина
2000 мм
Материал
Алюминий
Производитель
ARMADILLO
Регулировка
нет
Рекомендуемые товары
36073, 36915, 37493, 35753, 35763
Способ установки
Для ручной установки
Тип упаковки
Стрейч пленка
Толщина двери
от 26 мм
Штрих-код индивидуальной упаковки
нет
Серия
Comfort
Вопросов: 0

Пока нет вопросов об этом товаре. Станьте первым!

Вы недавно смотрели
Рассчитать монтаж