Код Товара
22191
Артикул
18434
Производитель
МЕТТЭМ
Наличие:
Под заказ 7 дней
1 953 р
Вся фурнитура под заказ. Примерный срок - 7 дней.
Доставка по г Томск, от 1250 ₽
Самовывоз из салона, бесплатно
Бэксет (удаление ключевого отверстия)
66,5 мм
Вес
1400,1400
Все характеристики
Гарантия 24 мес.
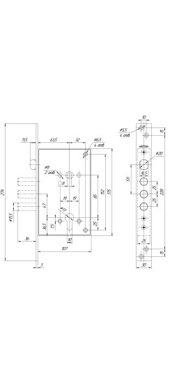
Корпус врезного цилиндрового замка ЗВ4 713.0.0 подходит для установки во входные двери жилых и общественных зданий. Модель рекомендована для установки в противопожарные двери. Замок запирает дверь на три оборота тремя ригелями диаметром 16 мм, которые выдвигаются из корпуса замка на 36 мм. Один из ригелей оснащен закаленным скользящим стержнем, что является хорошей защитой от перепиливания. Корпус повышенной жесткости усилен втулками, что позволяет крепить броненакладку. Съемная лицевая планка дает возможность устанавливать замок как вкладной. Оснащен усиленным фиксатором ригельной планки. Замок имеет защелку. Корпус замка изготовлен из стали, покрытие - порошковая краска. Ригели изготовлены из стали, покрытие - никель/хром. Бэксет: 66,5 мм. Межосевое расстояние: 85 мм. При продаже замок комплектуется винтом М5Х70 для крепления цилиндрового механизма. Корпус замка сертифицирован в соответствии с 4-м, самым высоким классом безопасности по ГОСТ. Для соответствия классу замок необходимо эксплуатировать с цилиндровым механизмом 3-го, 4-го классов ГОСТ, а также с броненакладкой.

Общие

Бэксет (удаление ключевого отверстия)
66,5 мм
Вес
1400,1400
Вылет ригеля
36 мм
Габариты упаковки товара высота мм
39
Габариты упаковки товара длина мм
143
Габариты упаковки товара ширина мм
274
Длина ключа
-
Дополнительная защита
-
Задвижка
Нет
Защита от копирования ключа
-
Класс безопасности
4
Количество ключей
-
Количество комбинаций
нет (корпус замка)
Количество ригелей
3
Материал
Сталь
Межосевое расстояние
85 мм
Наличие выводов для тяг
Нет
Наличие лицевой планки
С планкой
Отверстия под стяжки
Есть
Производитель
МЕТТЭМ
Размер ригеля
15,5 мм
Рекомендуемые товары
33471, 23573, 7829, 13194, 26307
Способ установки
Врезной
Тип замка
Основной (с защелкой под ручку)
Тип защелки
Реверсивная
Тип механизма секретности
Цилиндровый
Тип упаковки
Пакет
Толщина двери
30-100 мм
Цвет
никель
Штрих-код индивидуальной упаковки
4607160541051
Серия
Суперзащита
Вопросов: 0

Пока нет вопросов об этом товаре. Станьте первым!

Рассчитать монтаж